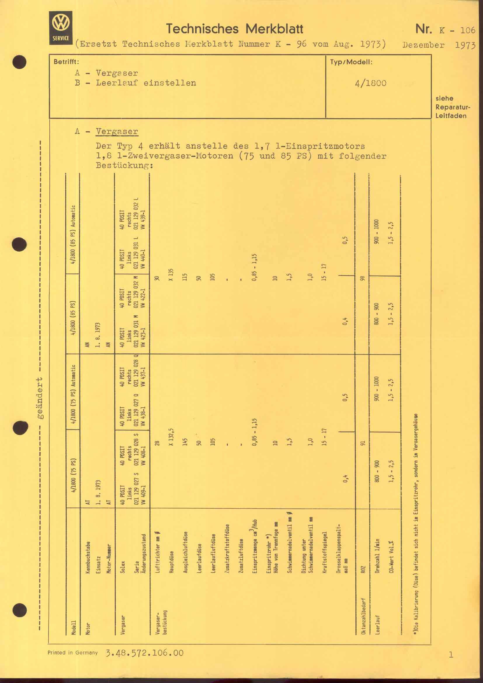
technische Merkblätter K 106, Seite 1



    Seite 2