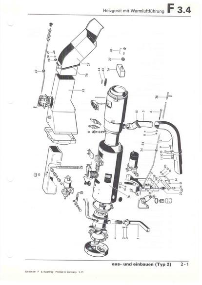
RLF F: F3.4/2-1



    nächste Seite