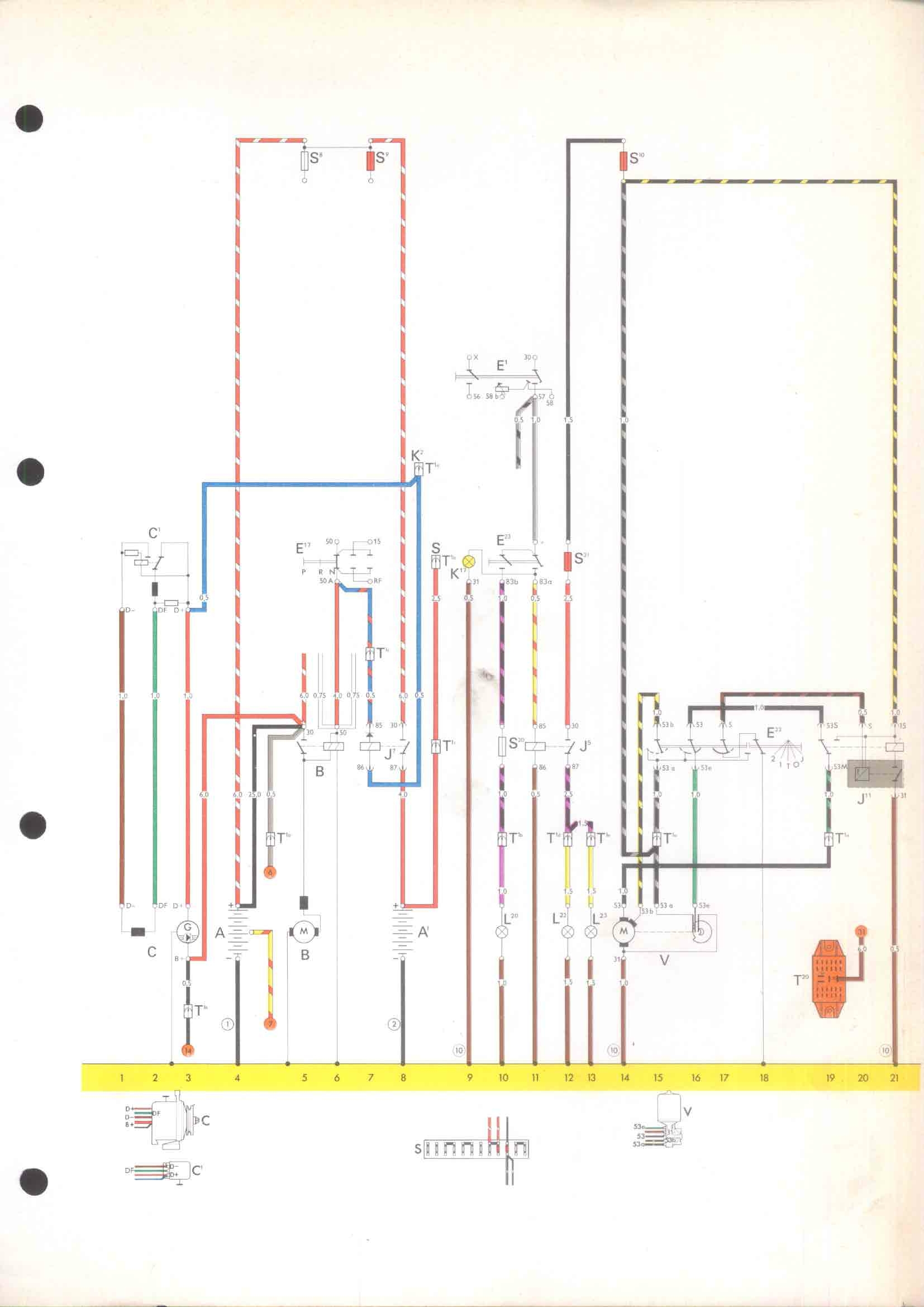
RLF Elektrik I, E1.2/4-6a



vorherige Seite