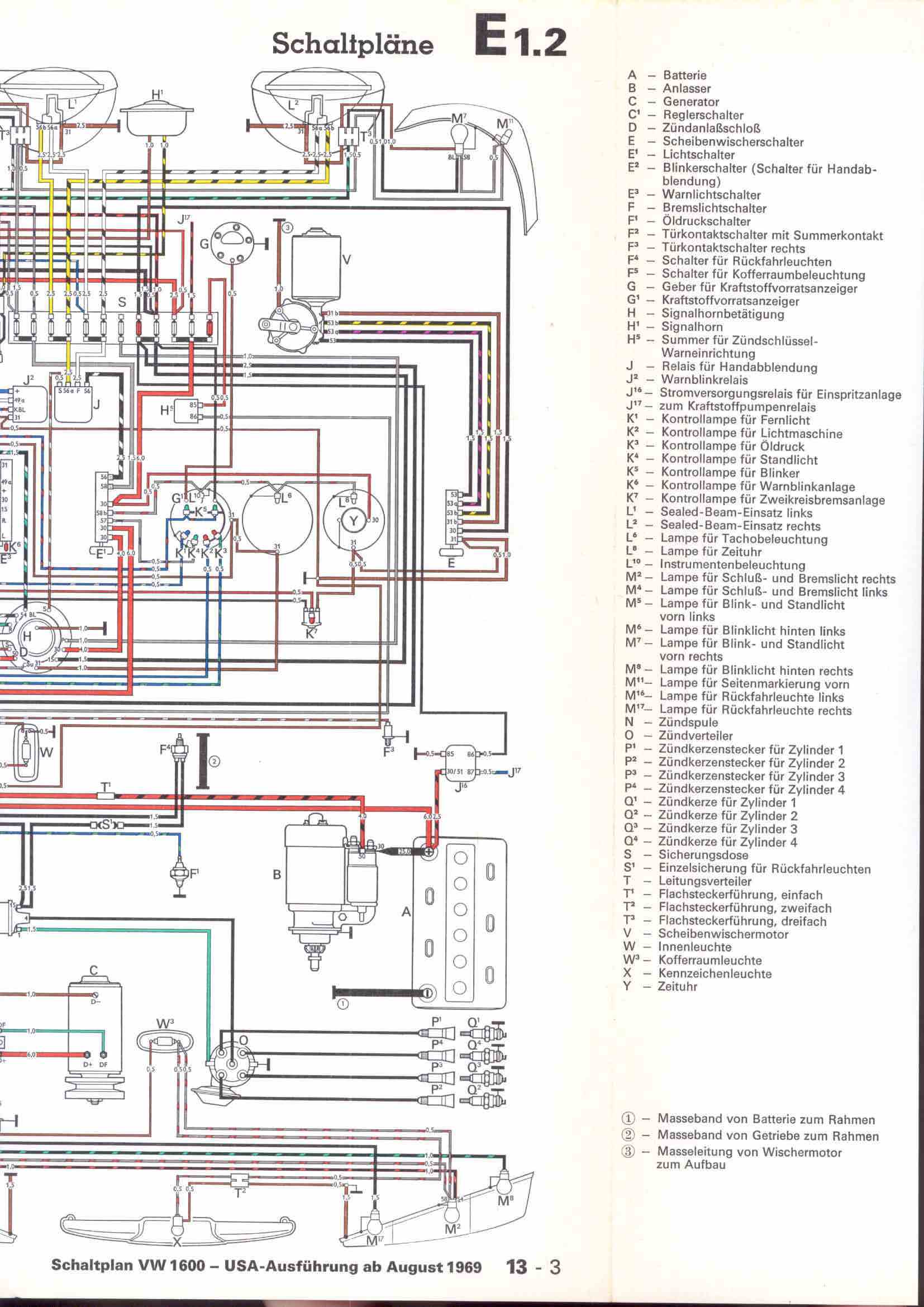
RLF Elektrik I, E1.2/13-3



vorherige Seite     nächste Seite