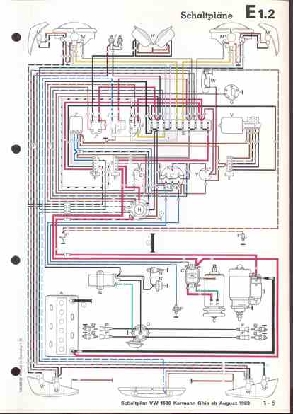
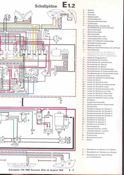
RLF Elektrik I, E1.2/1-6



vorherige Seite     nächste Seite