Geteilte Handbremse (Pseudo-Differentialsperre)


Bei einem normalen (d.h. offenen) Differential wird die Kraft immer dorthin geleitet, wo am wenigsten Widerstand ist. Auf rechts und links unterschiedlichem Untergrund dreht dasjenige Rad durch, das keine Bodenhaftung vermitteln kann, während das auf festem Untergrund befindliche Rad stehen bleibt. Dies kann man zB verhindern, wenn man beide Seiten des Differentials auf Knopfdruck formschlüssig verbindet (Differentialsperre), oder man begrenzt den Schlupf zwischen beiden Rädern durch Reiblamellen (Sperrdifferential). Eine weitere Möglichkeit ist es, das durchdrehende Rad mit einer einzeln auf dieses Antriebsrad wirkenden Bremse abzubremsen.

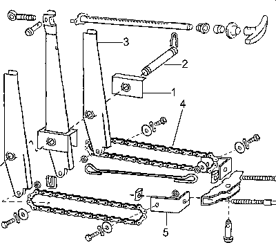
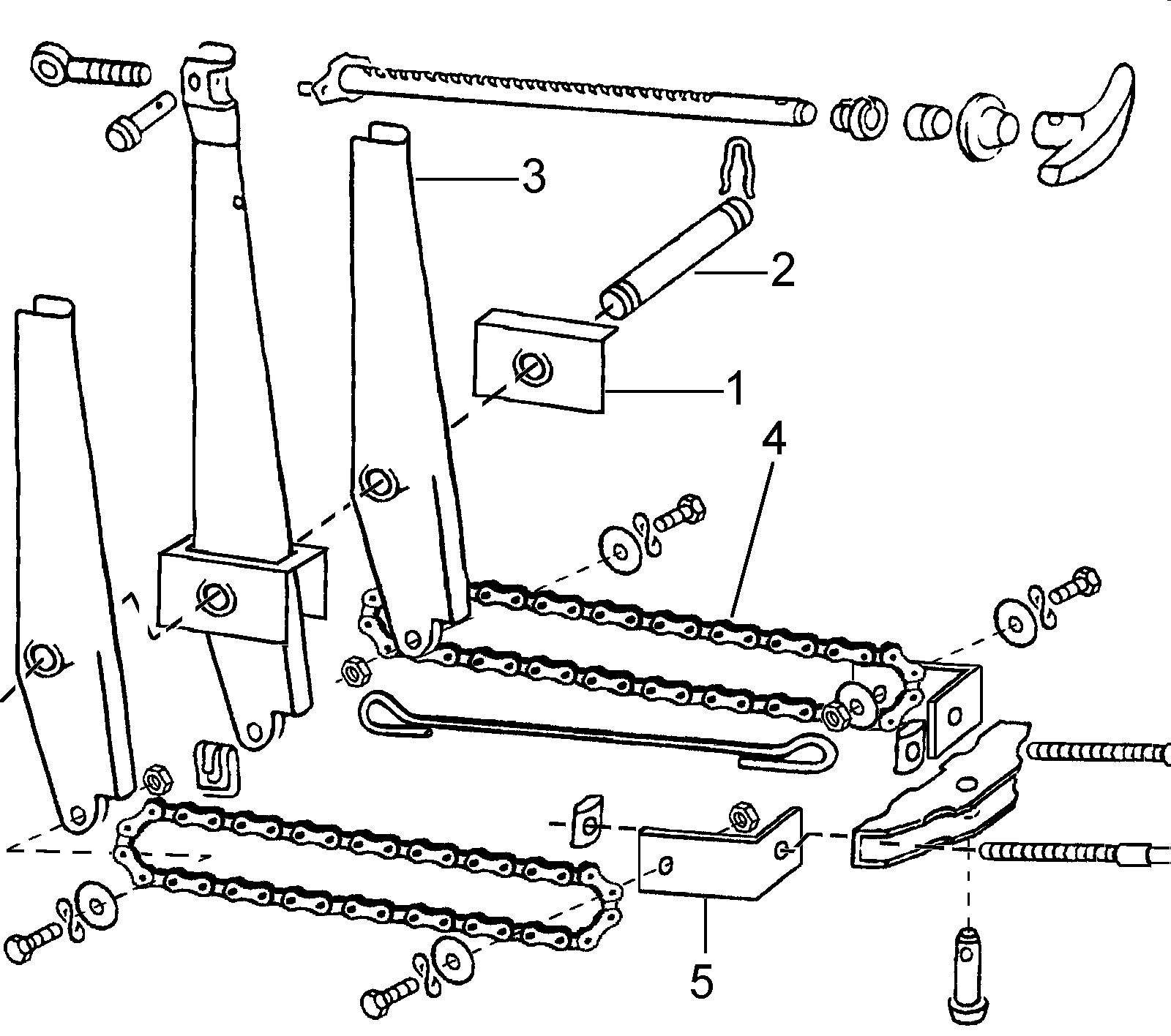
Geteilte Handbremse

Für VW-Busse der Baujahre 8/71-8/79 kann das durch zwei zusätzliche Handbremshebel (3) , die über Fahrradketten und Winkel mit den Handbremsseilen der Hinterräder verbunden sind, realisisert werden. Dadurch erreicht man, daß außer der Achse (2), die in verlängerter Ausführung selbst angefertigt werden muß, keinerlei Bauteil der normalen Handbremse geändert oder in ihrer Wirkung beeinflußt wird. Wird die normale Handbremse betätigt, bewegen sich die Zusatzbremshebel nicht. Vom Schrottplatz werden zwei Handbremshebel (211 711 305 E) und eine Originalhalterung besorgt. Die Handbremshebel werden oben abgesägt (3) und mit Fahrradlenkergummis versehen. Im Bodenblech werden rechts und links von der vorhandenen Handbremse Öffungen ausgeschnitten, in die die Handbremshebel hineinpassen. Die vorhandene Handbremshebel-Achse wird gegen eine selbst anzufertigende verlängerte Achse ersetzt (2), auf die rechts und links die Zusatzhebel passen. Um die einseitigen Belastungen aufzufangen, werden nun auf beiden Seiten Halterungen (1), die aus den Originalhalterungen angefertigt werden können, am Bodenblech angeschweißt. Dann können die Zusatzbremshebel mit Fahrradkettenstücken (4) und Winkeln (5) mit den Bremsseilen verbunden werden.


Inzwischen findet sich eine ähnliche Technik unter dem Namen Anti-Schlupf-Sysem oder ähnlich auch bei neumodischen wassergekühlten (!) Autos: Die für das Anti-Blockier-System ohnehin vorhandenen Sensoren (an Radnabe, Gelenkwelle oder Differential) messen den Schlupf und bremsen dann elektronisch gesteuert das entsprechende Rad.

Sperrdifferential

  • Als Mehrausstattung M220 war ein Lamellen-Sperrdifferential oder ein Konen-Sperrdifferential lieferbar (letzteres von Dezember 69 bis November 72; aber für alle Getriebe ab August 67 passend). Ein nachträglicher Einbau ist ( in jeder (?) VW-Werkstatt ) möglich: 002.517.025 A bzw. B.
  • Getriebe mit werksseitig eingebautem Sperrdifferential können an der Getriebe-Kennzeichnung (vor der Getriebenummer eingeschlagen) erkannt werden: 1,6l: CC/CD/CG/CV/CX; 1,8l: CN

    Differentialsperre

    Eine echte formschlüssige Differentialsperre gibt es nur beim Allrad-VW-Bus T3. Beim Einbau in alte Busse müßte die Betätigung dann allerdings selbst gebastelt werden.


  • größere Zeichnung
  • größere Zeichnung (zip)
  • Photos
  • zu meiner VW-Bus-Seite
  • zu meiner homepage
    Autor: Michael Knappmann       Copyright © 1998 Michael Knappmann, All rights reserved.
    Letzte Modifikation: 22.02.1999       Erstmals erstellt: 05.10.1993